L'application exclusive (en ligne) ASAP de Leviton dotée de la fonction « pointer et cliquer » vous permet de concevoir, spécifier et saisir rapidement et facilement vos commandes pour vos projets de commande d'éclairage. Créez une offre groupée complète en seulement quelques minutes et profitez du délai d'exécution exceptionnel de sept jours : vous proposerez ainsi des délais plus courts à vos clients pour les offres de commande d'éclairage.
Concepteur ASAP
Demande de mise en forme des capteurs Occ
Profitez des services de disposition en ligne des capteurs de Leviton. Notre équipe d'experts crée gratuitement des modèles de dispositions de capteurs directement sur vos plans CAO complets avec une liste de matériel. Le délai moyen est de 3 jours ouvrables*, le meilleur de l’industrie.
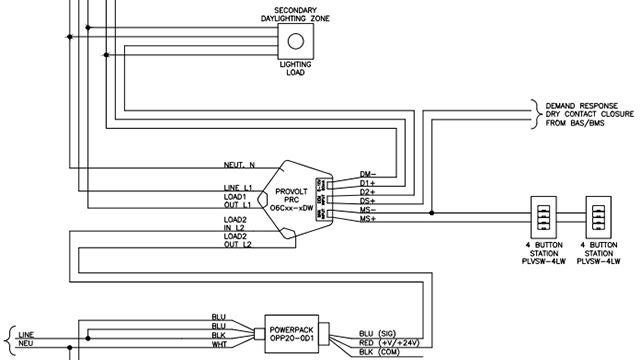
Dessins
Accédez aux manuels de procédures de Leviton, aux objets BIM, objets, et d'autres outils pour rationaliser les spécifications et inspirer votre projet.
Ressources du gestion de l’énergie
Leviton élimine les conjectures liées à la conformité aux codes grâce à ses portails IECC, ASHRAE 90.1 et Title 24.
Titre 20/24
L’efficacité énergétique est plus qu’un simple système. Elle nécessite une approche de l’ensemble du bâtiment. L’objectif de base des normes énergétiques Title 24 est la réduction de l’utilisation d’énergie.
Fabriqué aux États-Unis | USMCA
Téléchargez notre liste de produits conformes à la norme USMCA.
