GreenMAX DRC figure sur la liste des produits qualifiés (QPL) du Consortium DesignLights® (DLC) pour les commandes d’éclairage en réseau (NLC).
Dispositif de commande de pièce Sapphire
Interface utilisateur entièrement personnalisable qui s’intègre au système de commande de pièce GreenMAX DRC.
Ensemble intelligent
Permet la commutation et la commande de gradation 0-10V d’une seule zone de luminaires.
Détecteur numérique
Détection de mouvements/d’absences à l’aide de la technologie IRP avec photocellule intégrée.
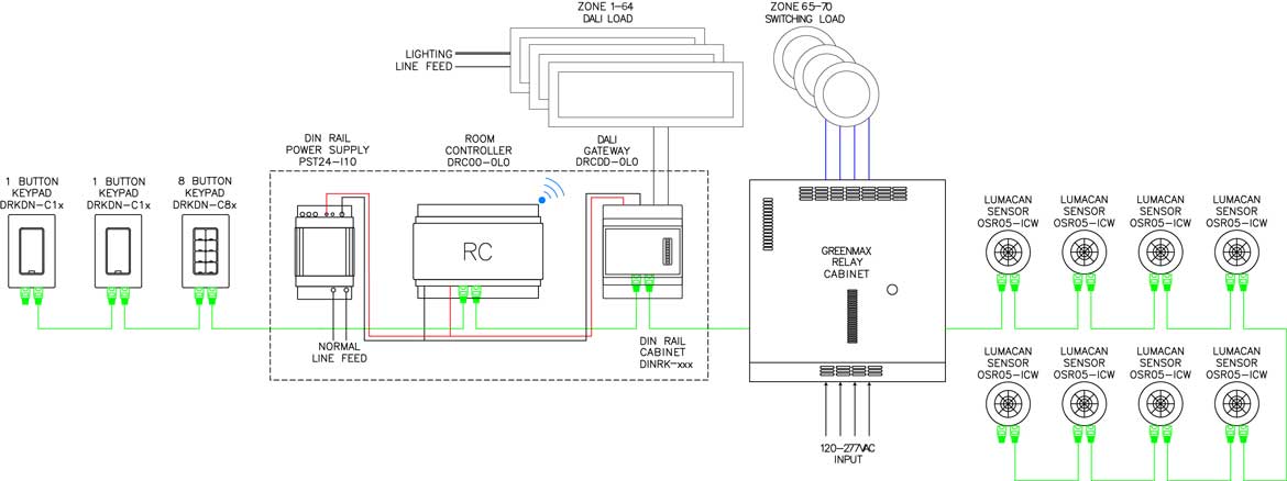
Contrôleur de pièce à basse tension
Sert de « cerveau » à tout système de commande de pièce GreenMAX DRC en coordonnant la logique commerciale dans la pièce.
Clavier numérique
Interface utilisateur clavier avec gravure personnalisée pour le système de commande de pièce GreenMAX DRC.
Application GreenMAX DRC
Le seul outil de configuration nécessaire : contrôler, mettre en service et gérer le système du bout des mains.
Gradateur de commande de phase
Intègre les charges de commande de phase 2-wire dans le système de commande de pièce GreenMAX DRC.
Interface analogique DRC biporte
Intègre des capteurs analogiques et des photocellules dans le système de commande de pièce GreenMAX DRC.
Passerelle DALI
Permet aux systèmes DRC LumaCAN de contrôler les luminaires DALI.
Contrôleur de pièce à tension composée
Le « cerveau » du système de commande de pièce GreenMAX DRC pour les applications de tension de ligne, à utiliser avec les blocs intelligents.
GreenMAX DRC
Révolutionnez votre installation avec le système de commande de pièce GreenMAX DRC de Leviton, conçu pour répondre aux besoins de commande d’éclairage d’aujourd’hui et façonner les tendances et les exigences du futur.
Lumière naturelle GreenMAX DRC 2-Zone Plus, type
Contrôleur de pièce à tension composée GreenMAX DRC, gradation à emplacements multiples 70-Zone et intégration DALI Plus lumière naturelle, type
